
|
    |
предыдущая страница
1 2 3
4 5 6
7 8 9
10 11 12
следующая страница
Комплект фрез для изготовления
мебельных фасадов с термошвом ДИ-02.17 производитель "ИНСТРУМЕНТ-М"
          
           
Фрезы затылованные из инструментальной стали Х6ВФ,
или с напайными пластинами из быстрорежущей стали Р6М5. Назначение:
комплект фрез предназначен для изготовления мебельных фасадов с термошвом из древесины
твердых и мягких пород на универсальных фрезерных станках. Комплектация:
комплект состоит из четырех затылованных фрез. 
| Обозначение |
D, mm | d, mm |
B, mm | Z |
n | |
ДИ-02.17.01
|
126 | 32 |
12 | 4 |
6200 | |
ДИ-02.17.02
|
140 | 32 |
16,5 | 4 |
6200 | |
ДИ-02.17.03
|
140 | 32 |
15,6 | 4 |
6200 | |
ДИ-02.17.04
|
140 | 32 |
12 | 4 |
6200 |
По желанию заказчика параметры
фрез могут быть изменены.
Комплект фрез для изготовления
мебельных фасадов с термошвом ДИ-02.18 производитель "ИНСТРУМЕНТ-М"
Фрезы затылованные из инструментальной стали Х6ВФ,
или с напайными пластинами из быстрорежущей стали Р6М5 или с напайными пластинами
твердого сплава ВК15. Назначение: комплект фрез предназначен для изготовления
мебельных фасадов с термошвом из древесины твердых и мягких пород на универсальных
фрезерных станках. Комплектация: комплект состоит из четырех затылованных
фрез. 
| Обозначение |
D, mm | d, mm |
B, mm | Z |
n | |
ДИ-02.18.01
|
130 | 32 |
15 | 4 |
6200 | |
ДИ-02.18.02
|
143 | 32 |
15 | 4 |
6200 | |
ДИ-02.18.03
|
130 | 32 |
15 | 4 |
6200 | |
ДИ-02.18.04
|
122 | 32 |
15 | 4 |
6200 |
По желанию заказчика параметры
фрез могут быть изменены.
Комплект фрез для
изготовления мебельных фасадов ДИ-02.21 производитель
"ИНСТРУМЕНТ-М"
Фрезы затылованные с напайными пластинами из быстрорежущей
стали Р6М5 и твердого сплава ВК15. Назначение: комплект фрез предназначен
для изготовления мебельных фасадов из древесины твердых и мягких пород на универсальных
фрезерных станках. Комплектация: комплект состоит из трех затылованных
фрез. 
| Обозначение |
D, mm | d, mm |
B, mm | Z |
n | | ДФ-02.21.01 |
140 | 32 |
12,5 | 4 |
9000 | |
ДФ-02.21.02 |
116 | 32 |
11 | 4 |
9000 | |
ДФ-02.21.03 |
140 | 32 |
12 | 4 |
9000 |
По желанию заказчика
параметры фрез могут быть изменены.
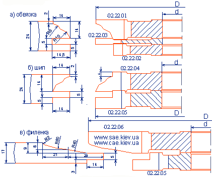
Комплект фрез
для изготовления мебельной обвязки, шипа и филенки
ДИ-02.22 производитель "ИНСТРУМЕНТ-М"
Фрезы
затылованные с напайными пластинами из быстрорежущей стали Р6М5. Назначение:
комплект фрез предназначен для изготовления мебельной обвязки, шипа и филенки
из древесины твердых и мягких пород на универсальных фрезерных станках. Комплектация:
комплект состоит из шести фрез. 
| Обозначение |
D, mm | d, mm |
B, mm | Z |
n | |
ДИ-02.22.01
|
127 | 32 |
16 | 4 |
6200 | |
ДИ-02.22.02
|
99 | 32 |
9,5 | 4 |
6200 | |
ДИ-02.22.03
|
128 | 32 |
5 | 4 |
6200 | |
ДИ-02.22.04
|
128 | 32 |
16 | 4 |
6200 | |
ДИ-02.22.05
|
128 | 32 |
14,5 | 4 |
6200 | |
ДИ-02.22.06
|
200 | 32 |
18 | 4 |
6200 |
По желанию заказчика
параметры фрез могут быть изменены.
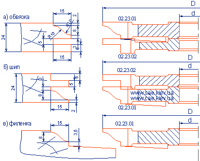
Комплект
фрез для изготовления мебельной обвязки, шипа
и филенки ДИ-02.23 производитель "ИНСТРУМЕНТ-М"
Фрезы
затылованные с напайными пластинами из быстрорежущей стали Р6М5 или твердого сплава
ВК15. Назначение: комплект фрез предназначен для изготовления мебельной
обвязки, шипа и филенки из древесины твердых и мягких пород на универсальных фрезерных
станках. Комплектация: комплект состоит из двух фрез. 
| Обозначение |
D, mm | d, mm |
B, mm | Z |
n | |
ДИ-02.23.01
|
160 | 32 |
16,5 | 4 |
6200 | |
ДИ-02.23.02
|
160 | 32 |
12 | 4 |
6200 |
|
|
  
|