
|
    |
Комплект фрез для изготовления
мебельных фасадов ДИ-02.02 "ИНСТРУМЕНТ-М"
Фрезы затылованные из
инструментальной стали Х6ВФ, или с напайными пластинами из быстрорежущей стали
Р6М5, или с напайными пластинами из твердого сплава ВК15. Назначение:
комплект фрез предназначен для изготовления мебельных фасадов из древесины твердых
и мягких пород на универсальных фрезерных станках. Комплектация: комплект
состоит из двух затылованных составных фрез. чертеж | Обозначение |
D, mm | d, mm |
B, mm | Z |
n | |
ДИ-02.02.01
|
125 | 32 |
12 | 4 |
9000 | |
ДИ-02.02.02
|
125 | 32 |
14 | 4 |
9000 |
По желанию заказчика параметры фрез могут быть изменены.
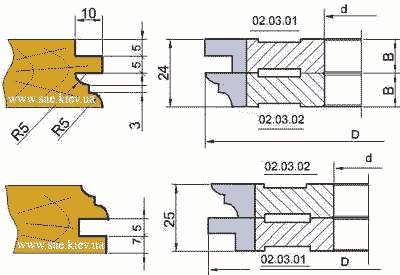
Комплект фрез для изготовления
мебельных фасадов ДИ-02.03 "ИНСТРУМЕНТ-М"
  
Фрезы затылованные из инструментальной
стали Х6ВФ, или с напайными пластинами из быстрорежущей стали Р6М5, или с напайными
пластинами из твердого сплава ВК15. Назначение: комплект фрез предназначен
для изготовления мебельных фасадов из древесины твердых и мягких пород на универсальных
фрезерных станках. Комплектация: комплект состоит из двух затылованных
составных фрез. чертеж | Обозначение |
D, mm | d, mm |
B, mm | Z |
n | |
ДИ-02.03.01
|
125 | 32 |
12 | 4 |
9000 | |
ДИ-02.03.02
|
125 | 32 |
14 | 4 |
9000 |
По желанию заказчика параметры фрез могут быть изменены.
Комплект фрез для изготовления
мебельных фасадов ДИ-02.07 "ИНСТРУМЕНТ-М"
          
           
Фрезы затылованные из инструментальной стали Х6ВФ,
или с напайными пластинами из быстрорежущей стали Р6М5, или с напайными пластинами
из твердого сплава ВК15. Назначение: комплект фрез предназначен для
изготовления мебельных фасадов из древесины твердых и мягких пород на универсальных
фрезерных станках. Комплектация: комплект состоит из четырех затылованных
составных фрез. чертеж | Обозначение |
D, mm | d, mm |
B, mm | Z |
n | |
ДИ-02.07.01
|
126 | 32 |
12 | 4 |
6200 | |
ДИ-02.07.02
|
140 | 32 |
12 | 4 |
6200 | |
ДИ-02.07.03
|
140 | 32 |
12 | 4 |
6200 | |
ДИ-02.07.04
|
140 | 32 |
12 | 4 |
6200 |
1
2 3 4
5 6 7
8 9 10
11 12 следующая
страница | |
  
|